Definizione
Il trasformatore è un doppio bipolo che consente di variare i parametri di tensione e corrente in ingresso rispetto a quelli in uscita, pur mantenendo costante la quantità di potenza elettrica apparente (Potenza entrante al primario=Potenza uscente dal secondario).
Piu in dettaglio ,abbiamo un lato sinistro il primario e un lato destro il secondario.
il primario è alimentato da un generatore
di tensione v1 (“tensione primaria”), in modo tale che il primario
sia percorso da una corrente i1 (“corrente primaria”) mentre
il secondario è alimentato da un generatore
di corrente i2 (“corrente secondaria”), in modo tale che la tensione del secondario sia v2 (“tensione secondaria”).
In immagine abbiamo questo:

dove K è il rapporto di trasformazione.
Le equazioni matematiche di definizione del trasformatore ideale risultano essere:

Il circuito equivalente del trasformatore è questo:

Proprietà:
1.Il trasformatore ideale non dissipa né accumula energia.
Infatti la potenza complessiva assorbita dal trasformatore è nulla:

Quindi in realtà la potenza assorbita dal primario (p1=v1(t)*i1(t)) risulta essere uguale ad ogni istante alla potenza erogata dal secondario (p2=-v2(t)*i2(t)).
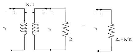
2.Riflessione di resistenze.
Quando al secondario di un trasformatore ideale è collegato un resistore di resistenza R, il primario si comporta
come un resistore di resistenza equivalente

Basta fare due conti per verificare questa proprietà:


Applicazione
Esercizi pesi liberamente dal sito ufficiale del corso Teoria dei Circuiti del Proffessore Luchetta Antonio
Resistenza equivalente:

Soluzione
Come prima cosa calcolo la formula della riflessione delle resistenze per il trasformatore dell’esercizio:

Procedo in questo modo per calcolare la soluzione finale:

Potenza assorbita:

Soluzione
1.Calcolo della potenza assorbita da Ro

Per l’equazione di definizione del nostro trasformatore ,abbiamo:

Per calcolare i1 ci serve La Req:

Per il calcolo di Req ,procediamo come nell’esercizio di prima :

Quindi abbiamo:




2.Calcolo della potenza erogata dal generatore
Basta un conto semplice:

Grazie per il tuo tempo.


